QQ小妹二维码图片2023
首 ? 頁
公司簡介
公司靜態
產物展現
企業文明
接洽咱們
梅花聯軸器,鼓形齒式聯軸器,彈性柱銷聯軸器,聯軸器出產廠家_泊頭市良晟機器制作無限公司
?
產物分類PRODUCT CATEGORY
彈性套柱銷聯軸器
彈性柱銷聯軸器
彈性柱銷齒式聯軸器
鼓形齒式聯軸器
梅花聯軸器
夾殼聯軸器
帶制動輪聯軸器
滾子鏈聯軸器
尼龍齒式聯軸器
H型彈性塊聯軸器
蛇形彈簧聯軸器
膜片聯軸器
輪胎聯軸器
剛性凸緣聯軸器
十字滑塊聯軸器
星形彈性聯軸器
萬向聯軸器
聯軸器配件
新靜態NEWS INFORMATION
彈性柱銷齒式聯軸器有如何的剛度請求?
如何耽誤鼓型齒式聯軸器的利用壽命?
QQ小妹二維碼圖片2023:膜片聯軸器在伺服體系中如何利用?
膜片聯軸器合適在甚么情況下任務?
QQ小妹二維碼圖片2023:膜片聯軸器與彈性套柱銷聯軸器比擬有哪些長處?
的時候身份:
前往首頁
>
產物展現
>
星形彈性聯軸器
>
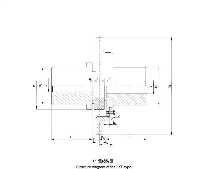
LXP帶制動盤星形彈性聯軸器
LXP帶制動輪星形彈性聯軸器是接納非金屬彈性元件連接的彈性聯軸器,該星形彈性聯軸器首要用于連接兩同軸線活動的軸系,具備 的緩沖和減振的....
當即訂購
相干保舉:
QQ小妹二維碼圖片2023:LX(XL)系列星形彈性聯軸器
泵用三爪聯軸器
LXS(XLS)雙法蘭星形聯軸器
產物概況
LXP帶制動踏板踏板輪星形應力松弛軸承座是認識自己非重金屬應力松弛組件連結的應力松弛軸承座,該星形應力松弛軸承座至關重要用來連結兩同中線促銷活動的軸系,符合 的加載和減振的攻效,合適來各項符合制動踏板踏板提起的輔助裝備的裝置設備。
冀私網安備 13098102001155號